Meine freiberuflichen Tätigkeiten bauen sich rund um das Themengebiet der ISO GPS Normung (ISO 8015), also die geometrische Produktspezifikation auf. Dieses verknüpfte Normensystem beschäftigt sich mit der Spezifikation und Verifikation von Produkten aller Art.
Für das Steinbeis-Beratungszentrum Konstruktion.Werkstoffe.Normung führe ich Seminare, Workshops und Beratungen
bei Kunden verschiedenster Branchen weltweit durch.
In der Produktentstehung unterstütze ich bei dem funktions-, fertigungs- und prüfgerechten Auslegen bzw. Optimieren von Bauteilen (Pre-Engineering)
mit dem Ziel, eine saubere geometrische Basis für den folgenden Herstellungsprozess zu haben.
Ein Schwerpunkt bildet hier die Kunststofftechnik. Durch meine langjährige Erfahrung auf dem Gebiet der Werkzeugkonstruktion, achte ich hier insbesondere auf das Stichwort "fertigungsgerecht", das bedeutet also die Auslegung des Kunststoffteils auf ein möglichst einfaches, robustes und somit wirtschaftliches Werkzeugkonzept.
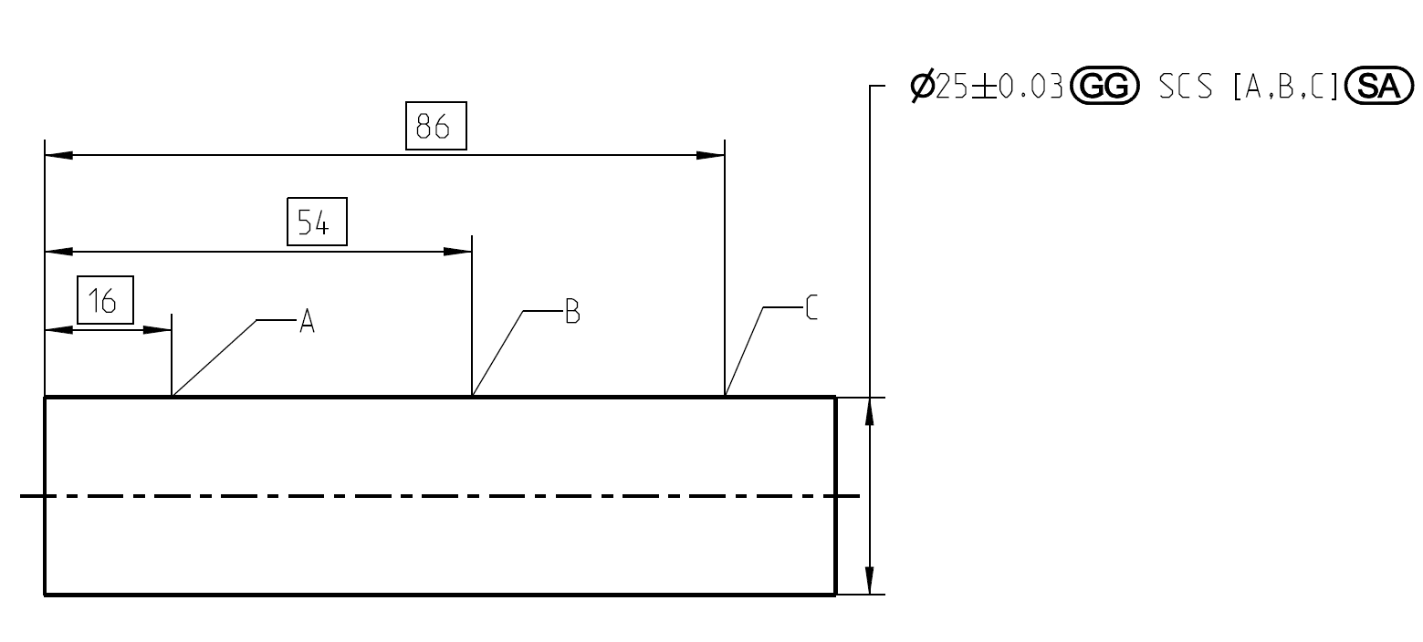
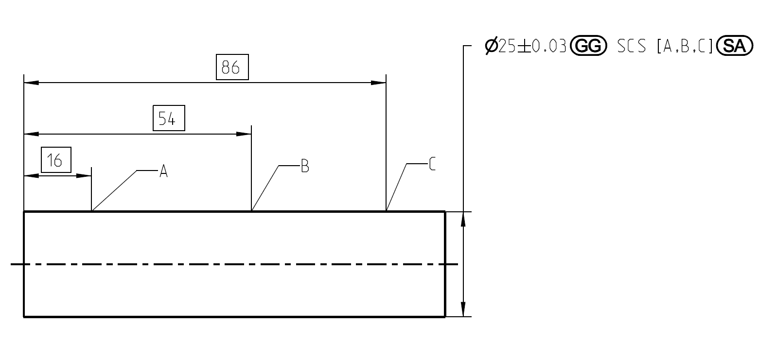
Der nächste Schritt ist die Erstellung der geometrischen Spezifikationen (technische Zeichnung).
Ich unterstütze Sie bei der funktionsorientierten Zeichnungserstellung und Optimierung
basierend auf den Grundlagen des ISO GPS Normensystems. Diese Spezifikationen sind nach wie vor der wichtigste vertragliche Bestandteil im Kunden-Lieferanten-Verhältnis zur Kommunikation der Anforderungen an Ihr Produkt.
Nach der Produktentstehung kommt ein weiterer wichtiger Schritt: Der Nachweis, ob das Produkt konform zu den gestellten Anforderungen ist. Die Verifikation ist ein immer komplexer werdender Themenbereich, bei dem ich von der Festlegung, Analyse oder Optimierung der Messstrategie, über die Ableitung einer zielführenden Korrektur unter Beachtung des Fertigungsprozesses
(speziell Spritzgusstechnik) voll umfänglich unterstützen kann.
Gern erläutere ich Ihnen weitere Details in einem persönlichen Gespräch.

„Erfahrung ist die Basis für Erfolg . “ - Marcus Grella
GRE-TEC, training.engineering.practice



